محرك فرش دي سي بتروس كوكبية قطره 30 مم
سلسلة PK30
محركاتنا المزودة بعلبة تروس بقطر 30 مم تعمل بجهد 6 فولت، 12 فولت، و24 فولت مع إمكانية ضبط سرعة المحرك ونسبة التروس بناءً على متطلبات العملاء. يمكن لجسمها المدمج أن يوفر عزم دوران مرتفع. خيارات التروس المعدنية، عمود الخرج المصنوع حسب الطلب أو عمود المحرك الخلفي، والمشفر المغناطيسي، والأسلاك المتصلة متاحة جميعها.
محرك تروس كوكبي DC بقطر 30 مم
الميزات
- ثنائي الاتجاه
- فرشاة محرك الجرافيت
- تروس كوكبية
- المحرك وصندوق التروس مصنوعان في تايوان
- شهادة CE ومعيار RoHs
المواصفات
- أبعاد المظهر: 30 مم قطر
- الجهد العادي: 6 فولت تيار مستمر، 12 فولت تيار مستمر و24 فولت تيار مستمر
- مشفّر مغناطيسي 12PPR متاح
- التطبيقات النموذجية: أدوات طبية، أطقم الروبوت، الستائر الآلية، معدات السلامة، الأقفال الكهربائية، معدات الاتصالات، آلات المرور، معدات المنزل الآلية، معدات المكتب، أدوات الطاقة، آلات البيع الآلية، موزع التذاكر، الصمامات الكهربائية، المحركات، آلة الألعاب، آلات الرياضة، آلة التشغيل بالعملات، آلة العملات، آلة بيع الجوائز ودراجة رياضية مغناطيسية.
معرف المنتج: سلسلة PK30
- PK30FA
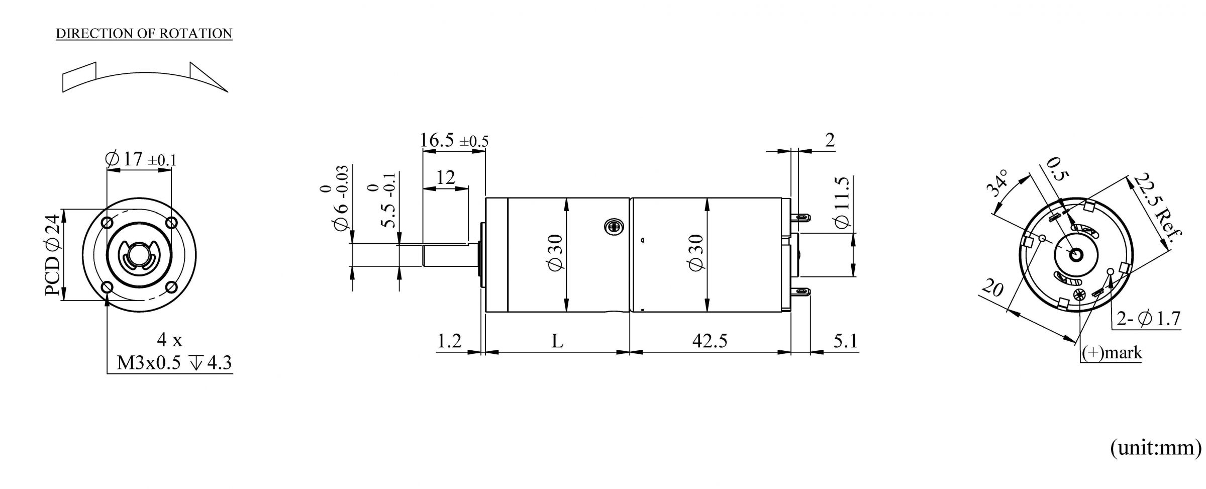
أبعاد المظهر

مواصفات محرك تروس تيار مستمر
نموذج مُصنَّف
الجهدنسبة التخفيض 1/5 1/14 1/19 1/27 1/51 1/71 1/100 1/139 1/189 1/264 1/369 1/516 1/721 0645 6V عزم الدوران المقدر (كغ-سم) 0.2 0.6 0.8 1.1 1.8 2.5 3.5 4.9 5.6 7.8 10.9 15.2 21.3 سرعة التقييم (دورة في الدقيقة) 696 263 188 134 71 51 36 26 19 14 10 7 5 التيار المقيم (أ) 0.68 0.68 0.68 0.68 0.68 0.68 0.68 0.68 0.68 0.68 0.68 0.68 0.68 0660 6V عزم الدوران المقدر (كغ-سم) 0.32 0.74 1.03 1.44 2.34 3.27 4.57 6.39 7.22 10.09 14.1 19.7 22 سرعة التقييم (دورة في الدقيقة) 902 340 243 174 92 66 47 34 25 18 13 9 6.9 التيار المقيم (أ) 1.23 1.23 1.23 1.23 1.23 1.23 1.23 1.23 1.23 1.23 1.23 1.23 1.04 نموذج مُصنَّف
الجهدنسبة التخفيض 1/5 1/14 1/19 1/27 1/51 1/71 1/100 1/139 1/189 1/264 1/369 1/516 1/721 1245 12 فولت عزم الدوران المقدر (كغ-سم) 0.35 0.82 1.14 1.59 2.59 3.62 5.06 7.08 8 11.18 15.6 21.9 22 سرعة التقييم (دورة في الدقيقة) 729 275 197 141 74 53 38 27 20 14 10 7 5.5 التيار المقيم (أ) 0.45 0.45 0.45 0.45 0.45 0.45 0.45 0.45 0.45 0.45 0.45 0.45 0.35 ١٢٦٠ 12 فولت عزم الدوران المقدر (كغ-سم) ٠.٤ ٠.٩ ١.٣ 1.8 ٢.٨ ٤ 5.6 7.8 ٨.٨ ١٢.٣ ١٧.٢ 22 22 سرعة التقييم (دورة في الدقيقة) ٩٦٣ ٣٦٣ ٢٦٠ ١٨٦ ٩٨ ٧٠ ٥٠ 36 26 19 14 ٩.٩ ٧.٤ التيار المقيم (أ) ٠.٦٥ ٠.٦٥ ٠.٦٥ ٠.٦٥ ٠.٦٥ ٠.٦٥ ٠.٦٥ ٠.٦٥ ٠.٦٥ ٠.٦٥ ٠.٦٥ ٠.٦١ 0.47 1275 12 فولت عزم الدوران المقدر (كغ-سم) ٠.٤ 1 1.4 1.9 3.1 4.3 6.1 8.5 9.6 ١٣.٤ ١٨.٧ 22 22 سرعة التقييم (دورة في الدقيقة) ١٢٠٤ ٤٥٤ ٣٢٥ ٢٣٢ ١٢٣ ٨٨ ٦٣ ٤٥ ٣٣ ٢٤ ١٧ ١٢.٦ ٩.٤ التيار المقيم (أ) ٠.٨٨ ٠.٨٨ ٠.٨٨ ٠.٨٨ ٠.٨٨ ٠.٨٨ ٠.٨٨ ٠.٨٨ ٠.٨٨ ٠.٨٨ ٠.٨٨ ٠.٧٦ ٠.٥٩ ١٢٩٠ 12 فولت عزم الدوران المقدر (كغ-سم) ٠.٤ 1 1.4 ٢ 3.2 4.4 6.2 8.7 9.8 13.7 19.1 22 22 سرعة التقييم (دورة في الدقيقة) 1528 576 412 295 156 111 80 57 42 30 21 15.4 11.4 التيار المقيم (أ) 1.09 1.09 1.09 1.09 1.09 1.09 1.09 1.09 1.09 1.09 1.09 0.93 0.72 نموذج مُصنَّف
الجهدنسبة التخفيض 1/5 1/14 1/19 1/27 1/51 1/71 1/100 1/139 1/189 1/264 1/369 1/516 1/721 0960 24 فولت عزم الدوران المقدر (كغ-سم) ٠.٤ 1 1.4 ٢ 3.2 4.5 6.2 8.7 9.8 13.8 19.2 22 22 سرعة التقييم (دورة في الدقيقة) 1005 379 271 194 102 73 52 37 28 20 14 10.3 7.6 التيار المقيم (أ) 0.34 0.34 0.34 0.34 0.34 0.34 0.34 0.34 0.34 0.34 0.34 0.29 0.22 0975 24 فولت عزم الدوران المقدر (كغ-سم) 0.5 1.2 1.7 2.4 3.9 5.4 7.6 10.6 12 16.8 22 22 22 سرعة التقييم (دورة في الدقيقة) 1248 471 337 241 127 91 65 46 34 25 18 13.2 9.7 التيار المقيم (أ) 0.53 0.53 0.53 0.53 0.53 0.53 0.53 0.53 0.53 0.53 0.5 0.39 0.3 0990 24 فولت عزم الدوران المقدر (كغ-سم) 0.6 ١.٣ 1.8 2.5 4.1 5.7 8 11.2 ١٢.٦ 17.7 22 22 22 سرعة التقييم (دورة في الدقيقة) 1532 578 413 296 156 112 80 57 42 30 22 16 11.7 التيار المقيم (أ) 0.62 0.62 0.62 0.62 0.62 0.62 0.62 0.62 0.62 0.62 0.56 0.43 0.33 مواصفات علبة التروس الكوكبية
نسبة التخفيض 1/5 1/14 1/19 1/27 1/51 1/71 1/100 1/139 1/189 1/264 1/369 1/516 1/721 طول علبة التروس (L) 24.8 31.3 31.3 31.3 38 38 38 38 44.6 44.6 44.6 44.6 44.6 عزم الدوران المRated (kg-cm) ٤ 10 10 10 15 15 15 15 22 22 22 22 22 أقصى عزم لحظي (kg-cm) 8 20 20 20 30 30 30 30 44 44 44 44 44 الكفاءة (%) 80 ٧٠ ٧٠ ٧٠ 60 60 60 60 ٥٠ ٥٠ ٥٠ ٥٠ ٥٠ لعب شعاعي للعمود (مم) 0.05 0.05 0.05 0.05 0.05 0.05 0.05 0.05 0.05 0.05 0.05 0.05 0.05 لعب دفع للعمود (مم) 0.30 0.30 0.30 0.30 0.30 0.30 0.30 0.30 0.30 0.30 0.30 0.30 0.30 حمولة المحور الناتج المحورية (كجم) 2.50 2.50 2.50 2.50 2.50 2.50 2.50 2.50 2.50 2.50 2.50 2.50 2.50 حمولة المحور الناتج الشعاعية (كجم) 3.50 3.50 3.50 3.50 3.50 3.50 3.50 3.50 3.50 3.50 3.50 3.50 3.50 ملاحظات:
1. قد تتغير أو تُحدث المواصفات دون إشعار مسبق بسبب تحسين المنتج.
2. المواصفات المخصصة، والأعمدة، والأسلاك المتصلة متاحة.


