Piccolo motore a ingranaggi BLDC
Piccolo motore a ingranaggi BLDC
Hennkwell progetta e produce motori DC senza spazzole con controller esterno o controller integrato, disponibili con il nostro riduttore planetario per aumentare la coppia e ridurre la velocità di uscita per una vasta gamma di applicazioni. Il motore a ingranaggi DC senza spazzole presenta un'operazione a lunga durata, l'uscita del segnale di velocità per il controllo della velocità costante, alta coppia in uscita, bassa EMI, ecc.
Le applicazioni tipiche sono attrezzature mediche, robotica, controlli automatici, pompe e attrezzature per ufficio e così via.
Motore a ingranaggi senza spazzole a corrente continua affidabile e durevole che garantisce una vita più lunga
Caratteristiche
- Alto coppia di uscita
- Basso EMI
- Bi-direzionale
- Maggiore risposta dinamica
- Maggiore efficienza
- Vita più lunga
- Meno rumore
- Freno elettronico
- Il modo di controllo multiplo può essere progettato dagli ingegneri elettrici
Specifiche
- Tensione normale: 12VDC, 24 VDC e 36VDC
- Applicazioni tipiche: attrezzature mediche, kit robotici, controlli automatici, pompe e attrezzature per ufficio/banca e così via
ID prodotto: serie PK38V e PK42V
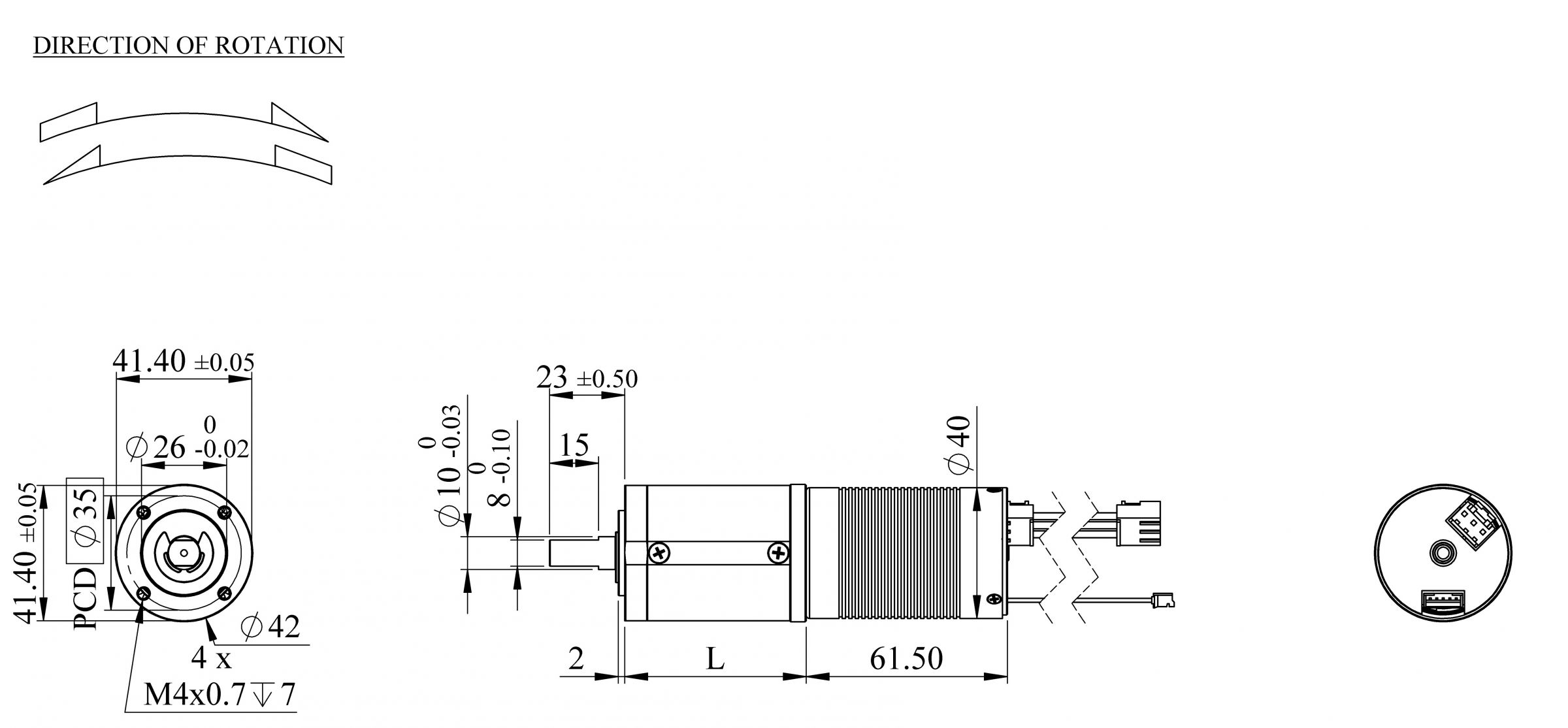
- PK38VCL
Dimensioni di Aspetto

Specifiche del Motore a Ingranaggi BLDC
Modello Valutato
TensioneRapporto di riduzione 1/4 1/12 1/35 1/56 1/74 1/117 1/145 1/181 1/237 1/272 1/311 0240 12V Coppia nominale (kg-cm) 1.0 2.4 6.1 9.8 13 17 21 25 25 25 25 Velocità nominale (rpm) 800 280 95 60 45 30 23 19 15 13 12 Corrente nominale (A) 1.20 1.20 1.20 1.20 1.20 1.20 1.20 1.20 0.97 0.88 0.79 0260 12V Coppia nominale (kg-cm) 1.1 2.7 6.9 11 14 19 23 25 25 25 25 Velocità nominale (rpm) 1227 428 145 90 70 43 35 29 23 20 18 Corrente nominale (A) 2.10 2.10 2.10 2.10 2.10 2.10 2.10 1.80 1.47 1.33 1.20 0940 24V Coppia nominale (kg-cm) 1.0
2.6 6.6 10.5 14 18 25 25 25 25 25 Velocità nominale (rpm) 810 280 96 60 45 29 23 19 15 13 12 Corrente nominale (A) 0.60 0.60 0.60 0.60 0.60 0.60 0.69 0.58 0.47 0.43 0.39 Modello Valutato
TensioneRapporto di riduzione 1/4 1/12 1/35 1/56 1/74 1/117 1/145 1/181 1/237 1/272 1/311 0283 12V Coppia nominale (kg-cm) 1.2 2.9 7.4 11.8 15.5 20.4 25 25 25 25 25 Velocità nominale (rpm) 1688 588 200 126 96 61 49 40 32 28 25 Corrente nominale (A) 2.9 2.9 2.9 2.9 2.9 2.9 2.9 2.4 2.0 1.8 1.6 0960 24V Coppia nominale (kg-cm) 1.4 3.6 9.0 14 18 25 25 25 25 25 25 Velocità nominale (rpm) 1215 420 140 90 70 43 36 30 23 21 18 Corrente nominale (A) 1.2 1.2 1.2 1.2 1.2 1.2 1.0 0.8 0.7 0.6 0.6 0980 24V Coppia nominale (kg-cm) 1.2 3.0 7.6 12 16 21 25 25 25 25 25 Velocità nominale (rpm) 1717 600 203 128 97 60 50 40 31 28 24 Corrente nominale (A) 1.50 1.50 1.50 1.50 1.50 1.50 1.50 1.25 1.00 0.92 0.84 Specifiche del cambio planetario
Rapporto di riduzione 1/4 1/12 1/35 1/56 1/74 1/117 1/145 1/181 1/237 1/272 1/311 Lunghezza del cambio (L) 29.7 26.3 42.7 42.7 42.7 49.1 49.1 49.1 49.1 49.1 49.1 Coppia nominale (kg-cm) 5 15 20 20 20 30 30 30 30 30 30 Coppia massima momentanea (kg-cm) 10 30 40 40 40 60 60 60 60 60 60 Efficienza (%) 80 70 60 60 60 50 50 50 50 50 50 Gioco radiale dell'albero (mm) 0.04 0.04 0.04 0.04 0.04 0.04 0.04 0.04 0.04 0.04 0.04 Gioco assiale dell'albero (mm) 0.30 0.30 0.30 0.30 0.30 0.30 0.30 0.30 0.30 0.30 0.30 Carico assiale dell'albero di uscita (kg) 3.00 3.00 3.00 3.00 3.00 3.00 3.00 3.00 3.00 3.00 3.00 Carico radiale dell'albero di uscita (kg) 8.00 8.00 8.00 8.00 8.00 8.00 8.00 8.00 8.00 8.00 8.00 Note:
1.Le specifiche possono essere modificate o aggiornate senza preavviso in base al miglioramento del nostro prodotto.
2.Le specifiche personalizzate o l'installazione dell'encoder magnetico sarebbero disponibili.
3.Il controller BLDC è integrato nel motore o esterno in base alle specifiche del motore.- PK42VDL
Dimensioni esterne
Specifiche del motore a ingranaggi BLDC
Modello Valutato
TensioneRapporto di riduzione 1/4 1/17 1/49 1/61 1/75 1/100 1/172 1/212 1/263 1/376 1/500 0230 12V Coppia nominale (kg-cm) 1.1 4.2 10 13 16 20 30 30 30 30 30 Velocità nominale (rpm) 658 152 54 43 35 26 15 13 10.3 7.5 5.7 Corrente Nominale(A) 0.96 0.96 0.96 0.96 0.96 0.93 0.97 0.81 0.69 0.53 0,44 0245 12V Coppia nominale (kg-cm) 1,2 4,4 11 13 16 20 30 30 30 30 30 Velocità valutata (rpm) 985 227 80 65 52 39 23 19 15.6 11.2 8.6 Corrente Nominale(A) 1.53 1.53 1.53 1.53 1.53 1.44 1.49 1.26 1.06 0.82 0.68 0260 12V Coppia nominale (kg-cm) 1.4 5.2 13 16 19 20 30 30 30 30 30 Velocità valutata (rpm) 1253 289 102 83 67 53 31 26 21 15.1 11.5 Corrente Nominale(A) 2.42 2.42 2.42 2.42 2.42 1.97 2,05 1,74 1.49 1,17 0,99 0280 12V Coppia nominale (kg-cm) 1,3 5 12 15 18 20 30 30 30 30 30 Velocità nominale (rpm) 1755 405 143 116 93 70 40 34 28 20 15 Corrente Nominale (A) 3.09 3.09 3.09 3.09 3.09 2,62 2,72 2,31 1.97 1,55 1,31 Modello Valutato
TensioneRapporto di riduzione 1/4 1/17 1/49 1/61 1/75 1/100 1/172 1/212 1/263 1/376 1/500 0940 24V Coppia nominale (kg-cm) 1.4 5,3 13 16 20 20 30 30 30 30 30 Velocità nominale (rpm) 864 199 71 57 46 36 21 17 14 10.1 7.7 Corrente Nominale (A) 0.84 0.84 0.84 0.84 0.84 0.67 0,70 0,59 0,51 0,40 0,33 0960 24V Coppia nominale (kg-cm) 1,7 6,5 16 20 20 20 30 30 30 30 30 Velocità nominale (rpm) 1330 307 109 88 71 55 32 26 21.6 15.4 11.7 Corrente Nominale (A) 1.47 1.47 1.47 1.47 1.24 0,99 1.03 0,87 0,75 0,59 0,50 0975 24V Coppia nominale (kg-cm) 1,9 7,2 17 20 20 20 30 30 30 30 30 Velocità nominale (rpm) 1665 384 136 111 91 70 41 33 27 19 15 Corrente Nominale (A) 1,96 1,96 1,96 1,84 1.53 1,21 1.26 1,07 0,91 0,71 0,60 0990 24V Coppia nominale (kg-cm) 1,7 6,5 16 19 20 20 30 30 30 30 30 Velocità nominale (rpm) 1994 460 163 131 106 82 48 39 32,2 23 17,4 Corrente Nominale (A) 2,25 2,25 2,25 2,25 1,93 1,54 1,60 1,36 1,17 0,92 0,78 Modello Valutato
TensioneRapporto di riduzione 1/4 1/17 1/49 1/61 1/75 1/100 1/172 1/212 1/263 1/376 1/500 3640 36V Coppia nominale (kg-cm) 1.5 5.6 14 17 20 20 30 30 30 30 30 Velocità nominale (rpm) 872 201 71 57 46 36 21 17 14.2 10.1 7.7 Corrente Nominale (A) 0,59 0,59 0,59 0,59 0.58 0.46 0.47 0,40 0.34 0.27 0,23 3660 36V Coppia nominale (kg-cm) 1,8 6,9 17 20 20 20 30 30 30 30 30 Velocità nominale (rpm) 1307 302 107 85 71 55 32 26 21,5 15,3 11.6 Corrente Nominale (A) 1.09 1.09 1.09 1.05 0.89 0,71 0.74 0.63 0.54 0.43 0.37 3675 36V Coppia nominale (kg-cm) 1,9 7.3 18 20 20 20 30 30 30 30 30 Velocità nominale (rpm) 1687 389 138 111 91 70 41 33 27.3 19.4 14.7 Corrente Nominale (A) 1.39 1.39 1.39 1.29 1,07 0.85 0.89 0,75 0,64 0,50 0,42 3690 36V Coppia nominale (kg-cm) 1,8 6,9 17 20 20 20 30 30 30 30 30 Velocità nominale (rpm) 2012 464 164 130 108 83 48 40 32,4 23,1 17,5 Corrente Nominale (A) 1,56 1,56 1,56 1,51 1.26 1,01 1,04 0.89 0,76 0,61 0,51 Specifiche del riduttore planetario
Rapporto di riduzione 1/4 1/17 1/49 1/61 1/75 1/100 1/172 1/212 1/263 1/376 1/500 Lunghezza del riduttore (L) (L) 34,5 41,5 48,5 48,5 48,5 48,5 55,5 55,5 55,5 55,5 55,5 Coppia nominale (kg-cm) 5 15 20 20 20 20 30 30 30 30 30 Max. Momento Torcente (kg-cm) 10 30 40 40 40 40 60 60 60 60 60 Efficienza (%) 80 70 60 60 60 60 50 50 50 50 50 Gioco Radiale dell'Asse (mm) 0,05 0,05 0,05 0,05 0,05 0,05 0,05 0,05 0,05 0,05 0,05 Gioco Assiale dell'Asse (mm) 0,30 0,30 0,30 0,30 0,30 0,30 0,30 0,30 0,30 0,30 0,30 Carico assiale dell'albero di uscita (kg) 5 5 5 5 5 5 5 5 5 5 5 Carico radiale dell'albero di uscita (kg) 10 10 10 10 10 10 10 10 10 10 10 Note:
1. Le specifiche possono cambiare o essere aggiornate senza preavviso poiché si tratta di un miglioramento del prodotto.2. Le specifiche personalizzate, gli alberi e i fili di collegamento sono disponibili.


